Gracias a electronoobs en español construimos esta placa caliente para soldar smd para nuestro taller.
Listado materiales
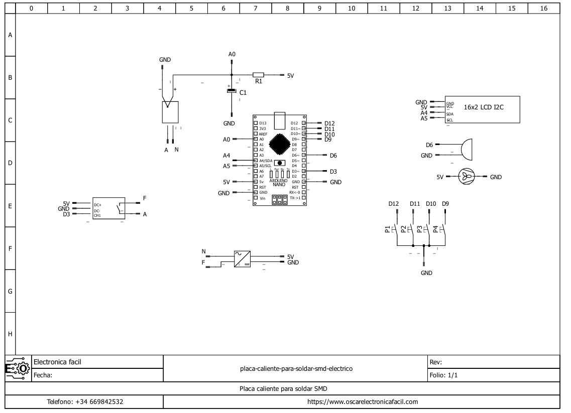
Esquema electrico

En esta ocasión en el taller de Electrónica Orense hemos tenido que comprobar unas tiras de led que nos llegaron al taller a traves de uno de nuestros clientes. Estas tiras de led se encontraron en la bombilla modelo.. La cual puedes ver imagenes a continuación.

Para poder comprobar estas tiras de led necesitabamos un comprobador de tiras de led específico para dicha tarea, indagando un poco por internet encontramos el siguiente videotutorial de ElectroJungla:
https://youtu.be/fZhR4YoLA0s?si=v9tpDuRkoEa-y72t
Por lo tanto, decidimos montar el circuito por ser muy simple y servirnos para el propósito que buscábamos en Electrónica Orense, que era probar las tiras de led de la bombilla traida por nuestro cliente. El prototipo queda como se muestra en la imagén.

Nos vemos en un próximo artículo, saludos desde Electrónica Orense.