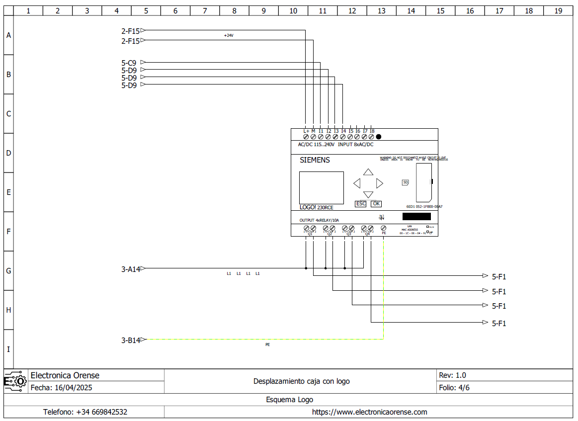
En esta ocasión desarrollamos el esquema electrico para poder desplazar una caja por una cinta transportadora, cuando el usuario presione un boton se pondrá en marcha un motor que desplazará la caja por una cinta transportadora hasta el final de la cinta que se encontrara un final de carrera que parará el motor y activará un cilindro neumatico para sacar la caja y meterla en un contenedor. En dicho contenedor se detectará la caja con un segundo final de carrera y se activará una sirena a los cinco segundos hasta que se retire la caja del contenedor.
Os dejamos un pdf con el esquema eléctrico.
Esquema electrico desplazamiento caja por cinta transportadora




