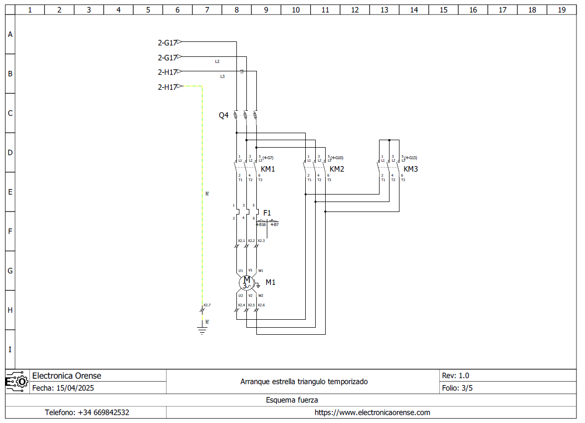
En esta ocasión desarrollamos el esquema de un arranque estrella triangulo para un motor trifásico en el programa Qelectrotech para tenerlo en nuestra colección de esquemas electricos. Al pulsar la marcha (S2) se activan KM1 Y KM3, con lo que el motor arranca en estrella, pasados 5s. se desconecta KM3 (estrella) y se conecta KM2 (triangulo). Al pulsar el paro se parara todo el sistema.
Os dejamos un pdf con el esquema eléctrico.
Esquema arranque estrella triangulo motor trifasico temporizado



